Hallo
bei dem Abbau der Verkleidung fiel mir ein Kabel auf s.Bild,Frage wo muss es angeschlossen werden?
Und welcher Abzieher ist ideal für das Polrad der Herculesmotoren?
danke!
Gruss
Hans
----Kabel?????-----
- technik-ostfriese
- Administrator
- Beiträge: 832
- Registriert: 11.03.2009 22:05
- Mofa/Moped: Hercules Prima 2S, P1-505 P
DKW P1-505 P
SACHS-BIKES Optima 50
SACHS ZX 50 - Wohnort: Ostfriesland
- Kontaktdaten:
Re: ----Kabel?????-----
Hallo Hans,
die Kabel aus der Lichtmaschinenöffnung gehen bei der kontaktgesteuerten BOSCH-Zündung meist direkt zum Leitungsverbinder und von dort dann zum Cockpit bzw. zu den Verbrauchern. Soweit erkennbar ist das Kabel grün/rot, oder? In dieser Kombination könnte es auch sein, dass hier bereits ein Austausch erfolgt ist.
Am besten wäre es, wenn du mir den genauen Typ des Mofas mitteilst. Ich kann dir hier dann mit etwas Glück den vollständigen Schaltplan hochladen. Da sind dann auch die korrekten Kabelfarben notiert.
Für das BOSCH-Schwungrad benötigst du einen 26x1,5 Abzieher. Dabei empfiehlt sich gleich die Variante 22x1,5 und 26x1,5 zu kaufen. Dieser sieht so aus: Mit einem normalen "Mehr"-Bein-Abzieher ist der Gefahr sehr hoch, dass man das Schwungrad verwuchtet, was dann schnell zum Kurbelwellenlagerschaden führen kann etc..
Zum Fixieren des Schwungrades und zum Lösen der Polradmutter würde ich nur einen Stirnlochschlüssel verwenden, wie er hier gezeigt wird: http://www.technik-ostfriese.com/techni ... ima/14.php oder einen Riemenschlüssel verwenden, wie er z.B. bei der Ölfilter-Demontage genutzt wird.
Beste Grüße,
Kai
die Kabel aus der Lichtmaschinenöffnung gehen bei der kontaktgesteuerten BOSCH-Zündung meist direkt zum Leitungsverbinder und von dort dann zum Cockpit bzw. zu den Verbrauchern. Soweit erkennbar ist das Kabel grün/rot, oder? In dieser Kombination könnte es auch sein, dass hier bereits ein Austausch erfolgt ist.
Am besten wäre es, wenn du mir den genauen Typ des Mofas mitteilst. Ich kann dir hier dann mit etwas Glück den vollständigen Schaltplan hochladen. Da sind dann auch die korrekten Kabelfarben notiert.
Für das BOSCH-Schwungrad benötigst du einen 26x1,5 Abzieher. Dabei empfiehlt sich gleich die Variante 22x1,5 und 26x1,5 zu kaufen. Dieser sieht so aus: Mit einem normalen "Mehr"-Bein-Abzieher ist der Gefahr sehr hoch, dass man das Schwungrad verwuchtet, was dann schnell zum Kurbelwellenlagerschaden führen kann etc..
Zum Fixieren des Schwungrades und zum Lösen der Polradmutter würde ich nur einen Stirnlochschlüssel verwenden, wie er hier gezeigt wird: http://www.technik-ostfriese.com/techni ... ima/14.php oder einen Riemenschlüssel verwenden, wie er z.B. bei der Ölfilter-Demontage genutzt wird.
Beste Grüße,
Kai
-
Fehnangler
- Beiträge: 9
- Registriert: 09.01.2012 18:03
Re: ----Kabel?????-----
Hallo Kai,
danke für die Antwort! Das Polrad konnte ich lösen die Kontaktflächen sind
sehr verrostet(hat wohl lange gestanden),werde da mal versuchen etwas besseren Kontakt herzustellen und
mal durchmessen ob evtl. die Spule defekt ist,werde weiter berichten!
mooi abend
Hans ut Leer
Ps:-was meinst Du mit Austausch?
danke für die Antwort! Das Polrad konnte ich lösen die Kontaktflächen sind
sehr verrostet(hat wohl lange gestanden),werde da mal versuchen etwas besseren Kontakt herzustellen und
mal durchmessen ob evtl. die Spule defekt ist,werde weiter berichten!
mooi abend
Hans ut Leer
Ps:-was meinst Du mit Austausch?
-
Fehnangler
- Beiträge: 9
- Registriert: 09.01.2012 18:03
Re: ----Kabel?????-----
Hallo Kai
die Typnr. M5 -634,
einen vernünftigen Abzieher besorge ich mir noch!!
Das mit dem Schaltplan wäre nett, ich bin nicht so der Elektriker, muss mein Nachbar mal ran.
Allerbest
Hans
die Typnr. M5 -634,
einen vernünftigen Abzieher besorge ich mir noch!!
Das mit dem Schaltplan wäre nett, ich bin nicht so der Elektriker, muss mein Nachbar mal ran.
Allerbest
Hans
- technik-ostfriese
- Administrator
- Beiträge: 832
- Registriert: 11.03.2009 22:05
- Mofa/Moped: Hercules Prima 2S, P1-505 P
DKW P1-505 P
SACHS-BIKES Optima 50
SACHS ZX 50 - Wohnort: Ostfriesland
- Kontaktdaten:
Re: ----Kabel?????-----
Hallo Hans,
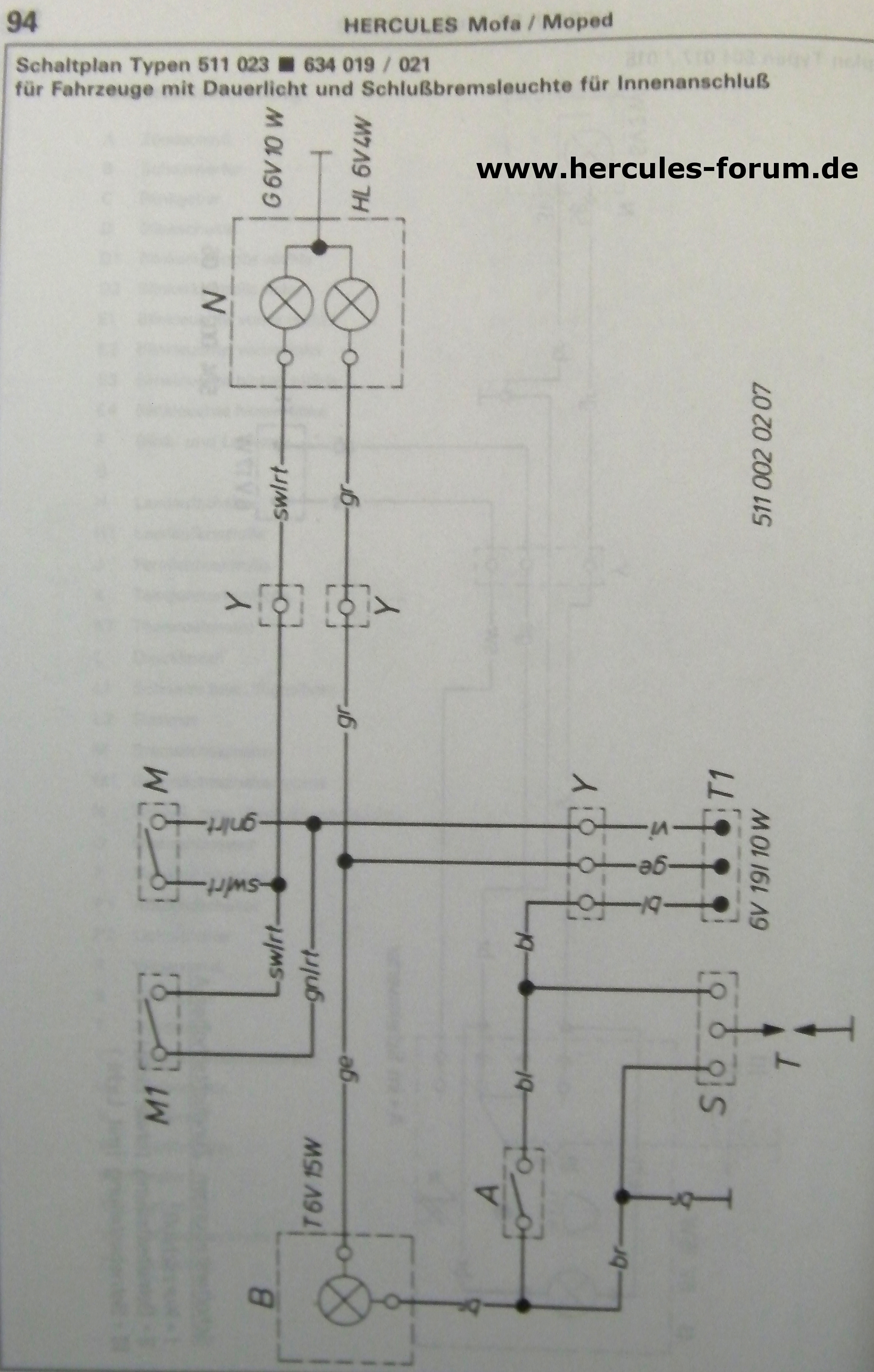
leider habe ich derzeit keinen Scanner zur Verfügung, wodurch die Scans mit einer Kamera aufgenommen wurde. Wenn man auf die Zeichnungen klickt und sich diese dann vergrößert darstellen, sollte man aber eigentlich alles erkennen können.
Die M5 hat zwar eigentlich den Typ 634 001 bzw 634 002, allerdings sind die Pläne von sehr frühen Hercules Prima 5 Mofas, die im Prinzip und von der Technik her bauähnlich zu deiner M5 sind. Ob BOSCH 6V 19W/5W oder BOSCH 6V 19W/10W sollte auch keine große Rolle im Schaltplan spielen.
Mit dem "Austausch" meinte ich, dass z.B. der Vorbesitzer bereits Spulen ausgetauscht bzw. die Kabelfarben geändert hat.
Ist der Zündungsraum ansonsten im unteren Bereich trocken bzw. maximal leicht mit Öl bedeckt? Da das Polrad nicht mehr so schick aussieht, würde ich dann auch gleich den Simmerring grob von Außen begutachten. Dabei kann man dann auch gleich den Zapfen der Kubelwelle leicht hoch und runter bewegen, um zu schauen, ob die Kurbelwellen-Lager kein übermäßiges Spiel haben.
Grüße,
Kai
leider habe ich derzeit keinen Scanner zur Verfügung, wodurch die Scans mit einer Kamera aufgenommen wurde. Wenn man auf die Zeichnungen klickt und sich diese dann vergrößert darstellen, sollte man aber eigentlich alles erkennen können.
Die M5 hat zwar eigentlich den Typ 634 001 bzw 634 002, allerdings sind die Pläne von sehr frühen Hercules Prima 5 Mofas, die im Prinzip und von der Technik her bauähnlich zu deiner M5 sind. Ob BOSCH 6V 19W/5W oder BOSCH 6V 19W/10W sollte auch keine große Rolle im Schaltplan spielen.
Mit dem "Austausch" meinte ich, dass z.B. der Vorbesitzer bereits Spulen ausgetauscht bzw. die Kabelfarben geändert hat.
Ist der Zündungsraum ansonsten im unteren Bereich trocken bzw. maximal leicht mit Öl bedeckt? Da das Polrad nicht mehr so schick aussieht, würde ich dann auch gleich den Simmerring grob von Außen begutachten. Dabei kann man dann auch gleich den Zapfen der Kubelwelle leicht hoch und runter bewegen, um zu schauen, ob die Kurbelwellen-Lager kein übermäßiges Spiel haben.
Grüße,
Kai
-
Fehnangler
- Beiträge: 9
- Registriert: 09.01.2012 18:03
Re: ----Kabel?????-----
Danke Kai,
werde morgen mal genauer inspizieren!ich glaube es ist noch nicht allzuviel gebastelt worden,Lagerspiel prüfe ich noch.
Gruss
hans
werde morgen mal genauer inspizieren!ich glaube es ist noch nicht allzuviel gebastelt worden,Lagerspiel prüfe ich noch.
Gruss
hans