Neuvorstellung und direkt ne Frage Hercules 222 MF

Allgemeine Fragen rund um die M / Prima Mofas. Auch Fahrzeugvorstellungen sind hier gerne gesehen.
Benutzeravatar
222MF
Beiträge: 118
Registriert: 04.10.2020 14:54
Mofa/Moped: Hercules 222 MF

Neuvorstellung und direkt ne Frage Hercules 222 MF

Beitrag von 222MF »

Hallo ,
mein Name ist Oliver, bin 51 Jahre alt und komme aus Oberhausen im Ruhrgebiet.
Bin in einigen BMW Oldtimer Foren unterwegs und weiß, wie hilfreich so ein Forum sein kann.
Jetzt habe ich mir eine Hercules mf 222 spontan angelacht. Da sie einige Zeit stand und wohl bei einem Hochwasser kurzfristig etwas abgesoffen war, will ich sie langsam wieder zum leben erwecken.
Ich bin jetzt nicht der größte Schrauber, aber ich denke mal das ich mit der Technik mit etwas Hilfe schon irgendwie klarkomme.
Ich freue mich hier auf eine schöne Zeit und eventuell auf eine neue Leidenschaft.
Meine erste Mofa war mit 15 eine KTM SM25.
Dann folgten einige Motorräder und seit 2006 beschäftige ich mich mit alten BMWs mit 4 Rädern. Da hauptsächlich mit dem e21 + e30.
Über diese Leidenschaft bin ich jetzt auch zu meiner Hercules gekommen. Bei der Abholung meines letzten Oldis habe ich sie in der Ecke stehen sehen und war spontan verliebt.
Ist von 1968 und war zuletzt 40 Jahre in einer Hand.
Ich war total fasziniert vom Zustand mit der leichten Patina. Jetzt will ich sie wieder fertig machen und ein paar Touren fahren.

Genug mit dem Gelaber, hier mal ein paar Fotos.

Bei der Abholung dieses Schätzchens habe ich die MF entdeckt

Bild

Hier dann ein paar Pics von der 222


Bild

Bild

Bild

Bild

Bild

Beste Grüße aus OB

Oliver
Zuletzt geändert von 222MF am 10.10.2020 12:46, insgesamt 1-mal geändert.

Benutzeravatar
222MF
Beiträge: 118
Registriert: 04.10.2020 14:54
Mofa/Moped: Hercules 222 MF

Re: Neuvorstellung und direkt ne Frage Herkules 222 MF

Beitrag von 222MF »

OK ,
das nächste Mal schreib ich Hercules richtig :lol:

Benutzeravatar
222MF
Beiträge: 118
Registriert: 04.10.2020 14:54
Mofa/Moped: Hercules 222 MF

Re: Neuvorstellung und direkt ne Frage Herkules 222 MF

Beitrag von 222MF »

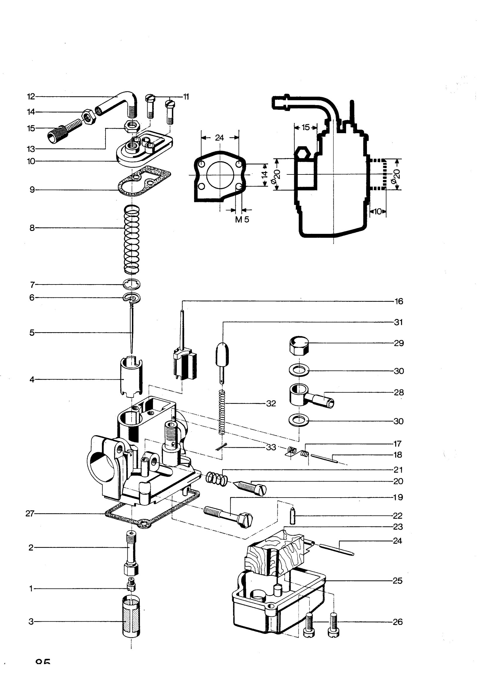
Jetzt die Frage…………..
Ich konnte den Gas Zug nicht bewegen. Ursache war ein festsitzender Gasschieber. Nachdem ich jetzt alles in die Gänge bekommen habe und den Vergaser wieder zusammenbauen wollte, habe ich das Problem, das der Gasschieber nicht mehr von der Feder zurückgedrückt wird. Ich denke mal, dass hat etwas mit dem markierten Teil zu tun. Wie wird das wieder zwischen Feder und Gasschieber verbaut . Ist ein Bing 12 1 168.
LG Oli


Bild

Benutzeravatar
wedewe
Beiträge: 430
Registriert: 13.09.2018 23:39
Mofa/Moped: Hercules HR 2 BJ 1976
Hercules M4 BJ 1977

Re: Neuvorstellung und direkt ne Frage Herkules 222 MF

Beitrag von wedewe »

Ist da beim Schieber was abgebrochen? Siehe grüner Pfeil.
Schieber.jpg
Auf dem anderen Bild siehst du wie der Ring gehört.
Bing.jpg
Ist nicht genau dein Vergaser aber vom Prinzip her


Gruß
Werner

Sachser
Beiträge: 121
Registriert: 15.06.2020 22:44
Mofa/Moped: Sachs

Re: Neuvorstellung und direkt ne Frage Herkules 222 MF

Beitrag von Sachser »

Ich will nix falsches sagen aber ich glaube, die Nadel muss von der anderen seite Reingesteckt werden...

rdiger8092
Beiträge: 195
Registriert: 28.12.2017 23:27
Mofa/Moped: Hercules Optima 3S

Re: Neuvorstellung und direkt ne Frage Herkules 222 MF

Beitrag von rdiger8092 »

Moin Sachser!
Da sagst du nichts falsches! 👍
Gruß
Rüdiger

Benutzeravatar
222MF
Beiträge: 118
Registriert: 04.10.2020 14:54
Mofa/Moped: Hercules 222 MF

Re: Neuvorstellung und direkt ne Frage Herkules 222 MF

Beitrag von 222MF »

Guten Morgen ,
das mit dem abgebrochenen muss ich mir gleich mal anschauen. Bisher nicht aufgefallen.
Dann zur Lage der Scheibe (7). Liegt die also nur auf dem Halteplättchen(6) auf ? Dachte die muss noch irgendwie arretiert werden, da sie 3.so Zacken im inneren hat.

Den Gasschieber also umdrehen und die Nadel rein……. Gut das ich gefragt hab. Dann hatte ich den immer falschrum reingesteckt. Mein aber auch das dies so verbaut war…..

Darum ist sie vielleicht nicht mehr angesprungen. :crazy:

Seit dem Kauf habe ich nie angetreten. Wollte erst mal alles kontrollieren.
Schwingenlager hatte ich auch gestern getauscht und den Tank gereinigt.
Sie stand 3 Jahre.

Danke und Gruß Oliver

Benutzeravatar
222MF
Beiträge: 118
Registriert: 04.10.2020 14:54
Mofa/Moped: Hercules 222 MF

Re: Neuvorstellung und direkt ne Frage Herkules 222 MF

Beitrag von 222MF »

Ich oute mich dann mal……..
Hab immer den Gasschieber verkehrtherum eingebaut. Darum funktionierte es auch nicht. :o
Jetzt alles in 2 Minuten hinbekommen. Danke für den wertvollen Tipp.
Ich liebe solche Foren. :thumbup:
Jetzt stellt sich eine weitere Frage.
Ich kann jetzt am Gasgriff drehen, was gestern vor der Aktion nicht klappte.
Muss der Gasgriff wieder selber zurückziehen oder nicht?
Wenn ich jetzt komplett öffne, bleibt der Griff in der Stellung und wenn ich jetzt weniger Gas geben möchte muss ich „manuell“ zurückdrehen.
War das damals so? Kenn ich von meiner Guzzi anders.

Benutzeravatar
222MF
Beiträge: 118
Registriert: 04.10.2020 14:54
Mofa/Moped: Hercules 222 MF

Re: Neuvorstellung und direkt ne Frage Herkules 222 MF

Beitrag von 222MF »

Ach ja , rausgebrochen war da nix.
Unglücklich fotografiert.

carinona
Beiträge: 9115
Registriert: 06.02.2013 16:53
Mofa/Moped: BENZIN

Re: Neuvorstellung und direkt ne Frage Herkules 222 MF

Beitrag von carinona »

war teilweise bei mofas üblich, damit du rechts handzeichen beim abbiegen geben kannst, ist bei meiner prima ab werk auch so

Benutzeravatar
222MF
Beiträge: 118
Registriert: 04.10.2020 14:54
Mofa/Moped: Hercules 222 MF

Re: Neuvorstellung und direkt ne Frage Herkules 222 MF

Beitrag von 222MF »

So, langsam werde ich etwas nervös, möchte gleich den ersten Startversuch probieren. :crazy:

Es muss noch Getriebeöl rein. Sie hat ja einen Sachs 50 / MC A 2 Gang Automatik drin.
Soviel ich finden konnte, müssen da 200 ml rein. Richtig? Wenn ich mal schätze, sind da höchsten 80 ml rausgekommen beim Ablassen.
Es soll eine Kontrollschraube geben. Ist das die mankierte? Da drüber ist der Einfüllloch?

Wie gehe ich beim Start genau vor nach der langen Standzeit?
Dekompression Schalter betätigen und einfach treten ? Wann muss man den Tupfer am Vergaser betätigen?
Sorry…Fragen über Fragen
Zuletzt geändert von 222MF am 10.10.2020 12:44, insgesamt 1-mal geändert.

Benutzeravatar
222MF
Beiträge: 118
Registriert: 04.10.2020 14:54
Mofa/Moped: Hercules 222 MF

Re: Neuvorstellung und direkt ne Frage Herkules 222 MF

Beitrag von 222MF »

Bild

Benutzeravatar
222MF
Beiträge: 118
Registriert: 04.10.2020 14:54
Mofa/Moped: Hercules 222 MF

Re: Neuvorstellung und direkt ne Frage Hercules 222 MF

Beitrag von 222MF »

Der Einsatz dieser beiden Hebel ist mir noch nicht ganz klar (Choke und Dekompression) ?

Bild

carinona
Beiträge: 9115
Registriert: 06.02.2013 16:53
Mofa/Moped: BENZIN

Re: Neuvorstellung und direkt ne Frage Hercules 222 MF

Beitrag von carinona »

öl in tank.... 1:25 teilsythetik 2 takt öl...gemisch

kerze raus, und mit vollgas anleiern das überall öl reinkommt

kerze rein und anlassen

choke ziehn , sollte heben rechts sein
und anlasser müßte hebel links sein incl deko
oder deko ist rechts, man sieht doch am zylinder bei welchem hebel sich das deko bewegt...
und viertelgas bis halbgas


saxonette motor ?
http://www.newsachsmotor.de/bis_50_ccm/ ... nette.html
200ml getriebeöl
am besten atf dexron IID
bzw ATF Typ A
https://www.ebay.de/itm/1-1x1-Liter-MAN ... Sw4aRc~1Hz


ne schraube steht so nicht raus, entwder ist das ne falsche oder die ist nicht ganz drin, kenn den motor aber nicht
https://www.ebay.de/itm/202499695201


75000eu, ist doch günstiger BMW https://www.coys.co.uk/cars/1967-bmw-glass-3000-gt-v8

Benutzeravatar
222MF
Beiträge: 118
Registriert: 04.10.2020 14:54
Mofa/Moped: Hercules 222 MF

Re: Neuvorstellung und direkt ne Frage Hercules 222 MF

Beitrag von 222MF »

OK , das mit dem Gemisch hatte ich schon gewusst……… :lol:


Die Schraube hatte ich etwas rausgedreht. Ist sonst komplett drin. Kann ich an der den Ölstand kontrollieren?

200ml dexron ist auch drin.

Der Glass 3000 GT ist ein geiles Teil, aber dafür reicht mein Taschengeld nicht wirklich, da doch lieber e30.


Anspringen will sie nicht wirklich.
Es ist auch kein Zündfunke da. Jetzt also hier dran ?

Bild


Kann ich das Zündkabel zur Kerze messen ? Was müsste da ankommen gegen Masse? 6 /12 V ?
Ansonsten die 3 Schrauben vom „Schaufelrad“ lösen und dann die mittige Mutter. Benötige ich da einen Abzieher und muss auf irgendetwas aufgepasst werden (Stellung des Rads , Teile die mir entgegen kommen könnten etc)?

BG Oli

carinona
Beiträge: 9115
Registriert: 06.02.2013 16:53
Mofa/Moped: BENZIN

Re: Neuvorstellung und direkt ne Frage Hercules 222 MF

Beitrag von carinona »

am kerzenkabel misst man nie volt...da ist hochspannung über 10000v wenn....

solltest erstmal rausfinden was für kabel aus der zündung direkt kommen....da ist noch ein abstellkabel, wenn das masse bekommt zündet nie was

ansonsten braucht man immer abzieher wenn man polrad runtermachen will

kerzenstecker ab
kabel ca 1cm vorn zylinder halten
sehn ob was funkt
wenn nicht, näher ran...ob überhaupt was funkt

wenn licht geht sind die magnete noch ok

müßt so ein schaltplan sein https://www.herculesig.de/Plaene/Schaltplan14.zip
falsch anschließen an lampe , dann funkt auch nix

am abstellkabel kann man volt messen , Volt AC ~ , anderen pol gegen masse rahmen, das ist meist dünnes schwarzes kabel das aus dem motor kommt,
das hängt mit am stromkreis primärspule-->kondensator-->unterbrecher
da müssen um die 6 volt und mehr kommen
wenn da nix kommt , kommt an kerze auch nie was

ohne strom an der primärspule.....kommt nie hochspannung aus der sekundärspule


könnte zb sein das unterbrecher hängt.. fest ist
wenn der nicht öffnet UND schließt, nix zündung

ölkontrollschrauben sind meist am kupplungsdeckel,,,oder da in der nähe
viewtopic.php?t=1138&start=20

Benutzeravatar
222MF
Beiträge: 118
Registriert: 04.10.2020 14:54
Mofa/Moped: Hercules 222 MF

Re: Neuvorstellung und direkt ne Frage Hercules 222 MF

Beitrag von 222MF »

Danke erst einmal für deine hilfreichen und schnellen Antworten. Hilft mir gerade sehr.
Ich dachte, wenn ich die 3 Schrauben am Lüfterrad rausnehme, kann ich schon in die Zündung schauen. Leider ist eine Schraube schon ziemlich fertig. Bekomme ich nicht ab.

Also wenn ich einen Abzieher hätte, würde ich das Lüfterrad UND Das Polrad zusammen abbekommen oder muss das Lüfterrad erst ab?
Einen Tipp für einen Abzieher zufällig?
Licht geht auch nicht an beim Treten ,egal welche Stellung der Schalter auf der Lampe hat.
Zündfunke kommt auch nicht , wenn ich das Kabel direkt an den Block halte.

Was genau meinst Du mit dem Abstellkabel ?

Das mit den 6/12 V am Zündkabel war dann etwas peinlich. :mrgreen:

carinona
Beiträge: 9115
Registriert: 06.02.2013 16:53
Mofa/Moped: BENZIN

Re: Neuvorstellung und direkt ne Frage Hercules 222 MF

Beitrag von carinona »

ich sagte doch was ich mit dem abstell meinte

es muss ein dünnes schwarzes aus dem motor kommen das hoch zum abstellschalter an der lampe geht

dann muss noch ein gelebes kabel aus der zündung kommen das der lichtrom, lichtspule ist

ja normalerweise muss lüfterrad mit polrad abgehn
polradabzieger müßt sowas https://www.ebay.de/itm/Polrad-Abzieher ... SwWGlZ3KWq
passen

mach gelbes kabel das aus zündung kommt vom kabelbaum ab, kerze raus.

multimeter auf V~ stellen, ein pol direkt an gelb , anderen pol an masse rahmen...anleiern

wenn dann nix kommt, ....geht auch die lichtspule nicht

das gleiche machst mit dem dünnen schwarzen...... wenn beide tot sind, sieht man mehr wenn polrad ab ist

sowas zb könnt passen
https://www.ebay.de/itm/392916223770?Vi ... 2916223770
bzw so wirds da wohl derin aussehn

die teile kann man neu kaufen , erstzteile für deine zündung kosten dann ca 40eu

oder ne kontaktlose. in der art https://classic-moped.com/products/bele ... luefter-of

Benutzeravatar
LXF
Beiträge: 938
Registriert: 30.08.2016 09:38
Mofa/Moped: M2, M5, CB3, HR2, Prima 3S, Prima 5S, Prima 4S, Prima S
Wohnort: Frankfurt/Main

Re: Neuvorstellung und direkt ne Frage Hercules 222 MF

Beitrag von LXF »

Das ist aber ein schönes Moped.
So wie die aussieht kann da nicht wirklich was großes dran sein. Die ist ja tipptopp restauriert.
Kompliment.
M2, M5, CB3, HR2, E1, Prima 4, Prima 5S, Prima 3S

Benutzeravatar
222MF
Beiträge: 118
Registriert: 04.10.2020 14:54
Mofa/Moped: Hercules 222 MF

Re: Neuvorstellung und direkt ne Frage Hercules 222 MF

Beitrag von 222MF »

Hi ,
danke, aber an dem Teil ist nichts restauriert. Alles 52 Jahre alt. Ok, die Reifen sind etwas jünger.
Gerade der unberührte Originalzustand mit den leichten Gebrauchsspuren mach für mich den Reiz an dem Teilchen aus.
Besonders wenn sie mal wieder laufen sollte.
Mache die Tage weiter.
BG Oli

Antworten