Seite 1 von 1

Verkabelung ext. Zündspule

Verfasst: 09.08.2022 13:41
von LXF
Kurze Frage, das blaue Kabel für die externe Zündspule kommt an Klemme 1, richtig?
De 15 ist dann Masse. Hat der Anker eigentlich Durchgang auf Masse?
42gal.jpg
Ich hab hier ne Zündung in nem 505 2A Ausf A die hat ne externe Spule und ein lila Kabel für die Bremse.
War die original da drinne? Totpunkt des Schwungrades stimmt auf jeden FAll 100%.
Jedoch ist dieser Plan von einer GT
Danke

Re: Verkabelung ext. Zündspule

Verfasst: 09.08.2022 14:45
von carinona
https://i.ebayimg.com/images/g/JBgAAOSw ... -l1600.jpg
der anker hat normal auch durchgang zu masse, also wo er an rahmen geschraubt wird. der masse anschluss ist aber zur sicherheit...
bei den primas wird der masse anschluss normal von mutter am zylinder geholt...

download/file.php?id=4555&mode=view

der plan von der GT ist der gleiche...sind halt nur noch die alten nummer am zündschloss dran

es gab diese zündung von motoplat und von bosch

abstellkabel an klemme 1 und dann weiter zu zündschloss, 15 ist masse

Re: Verkabelung ext. Zündspule

Verfasst: 09.08.2022 16:42
von LXF
Danke.
Ja, den Plan hatte ich auch gesehen, leider sind auf dem bunten Plan keine Nummern an der Zündspule und ich hatte auch keinen Durchgang zum Anker rauspiepsen können, daher die Frage
Dann passt es ja.

Re: Verkabelung ext. Zündspule

Verfasst: 09.08.2022 16:45
von carinona
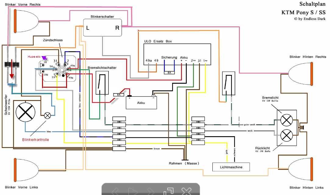
guter plan für
moderne ersatz ulo https://www.dierennschnecke.de/online-s ... atzmodule/ , gibts auch mit eingang für 3 spulen.
und blinker und batterie
Zündschloss-6V-Ulo-Nachbau.gif