ULO Box an M4
- Zahnriemenfahrer
- Beiträge: 858
- Registriert: 03.11.2016 15:14
- Mofa/Moped: Hercules M2 1973
Hercules M4 1975
Hercules P1 1976
DKW RT200H 1952
Suzuki SV 650 '99
Hornet 750 '23 - Wohnort: 52249 Eschweiler
ULO Box an M4
Hallo zusammen.
Es ist soweit. Wahrscheinlich kommt bald Mofa Nummer 3 ins Haus.
Es handelt sich um eine M4 die ich vor 6Jahren schon mal erwähnt habe. Verbaut sind Blinker, meine Erinnerung über eine ULO Box. Grund ist das der letzte Besitzer leider nur einen Arm hatte.
Jetzt meine Frage. Der Motor ist ein 505/1. Das Mofa hat das kleine Rücklicht ohne Bremslicht.
Bei meinen anderen Mofas mit 504 Motor mit der 17W Lima (15 vorne und 2 hinten) ist ja "kein Gramm" Leistung zu viel.
Wie ist das beim 505er Motor. Hatte vor 35Jahren mal eine Prima 5S. Die Erinnerung ist also etwas blass. Die hatte eine separate Spule mit 10W für das Bremslicht. Das konnte man dann nutzen um auch die ULO Box zu laden, sehe ich das richtig?
Die M4 hat aber kein Bremslicht. Wurde dann bei dem Motor eine Spule nachträglich mit auf die Lima gebaut falls Blinker nachgerüstet werden sollten?
Die Blinker sind noch alle dran und heil. Wie auch das Beinschild. Brauchen tue ich beides nicht wirklich. Aber aufgrund der Vorgeschichte würde ich sie gerne dran lassen. Aber wenn dran müssen sie auch funktionieren (wenn der Schutzmann kommt) oder gilt das beim Mofa nicht?
Es ist soweit. Wahrscheinlich kommt bald Mofa Nummer 3 ins Haus.
Es handelt sich um eine M4 die ich vor 6Jahren schon mal erwähnt habe. Verbaut sind Blinker, meine Erinnerung über eine ULO Box. Grund ist das der letzte Besitzer leider nur einen Arm hatte.
Jetzt meine Frage. Der Motor ist ein 505/1. Das Mofa hat das kleine Rücklicht ohne Bremslicht.
Bei meinen anderen Mofas mit 504 Motor mit der 17W Lima (15 vorne und 2 hinten) ist ja "kein Gramm" Leistung zu viel.
Wie ist das beim 505er Motor. Hatte vor 35Jahren mal eine Prima 5S. Die Erinnerung ist also etwas blass. Die hatte eine separate Spule mit 10W für das Bremslicht. Das konnte man dann nutzen um auch die ULO Box zu laden, sehe ich das richtig?
Die M4 hat aber kein Bremslicht. Wurde dann bei dem Motor eine Spule nachträglich mit auf die Lima gebaut falls Blinker nachgerüstet werden sollten?
Die Blinker sind noch alle dran und heil. Wie auch das Beinschild. Brauchen tue ich beides nicht wirklich. Aber aufgrund der Vorgeschichte würde ich sie gerne dran lassen. Aber wenn dran müssen sie auch funktionieren (wenn der Schutzmann kommt) oder gilt das beim Mofa nicht?
Gruß Dieter
Re: ULO Box an M4
man kann sich das leben einfach machen
und auf die schrott ulo box verzichten
wird nur noch eine gebaut https://www.ebay.de/itm/295686846363?ep ... R8qI3-LIYg
ich halt es für rausgeworfenes geld.
35w spule einbauen
https://www.ebay.de/itm/252388529664?ha ... R_yotdvHYg
12v regler
https://www.ebay.de/itm/303123521994?ha ... R7i_7drHYg
AC blinkgeber
https://www.gasolina-moto.de/3-pin-blin ... -cosa.html
und jetzt 4x5w 12v blinkerbirnen bei nicht alternierender schaltung, könnten auch4x10 gehn wenn vorne led drin ist
oder 4x 10w 12v bei alternierender schaltung
wenn dann noch AC LED vorne einbaust, hast du massig strom ..
https://www.ebay.de/itm/155436425944?ha ... SwW6lihLUa , da die LED nur 5W verbraucht aber licht wie ca 30-40w birne macht, hab die bei mir bisher noch nicht in völliger dunkelheit gesehn..kommt wohl bald wieder ..der winter..
es geht nur die 12v version an AC~
es gibt sie auch noch ne idee schwächer mit 4W https://www.ebay.de/itm/285258166731?_t ... %3A2047675
gäbe 12v 10w halogen für die blinker https://www.bosma-shop.com/501257/de
rücklicht bleibt normal dann mit 12v 2-4w
vorteil,, es funtioniert, und ist besser als die schrott 6v ulo funzel wo nie die akkus voll sind und licht schlecht ist.
früher hat man tagsüber das licht ausgemacht und so die akkus geladen...das fällt heute weg
wenn dein herz an der ulo hängt
kannst die 35w spule nehmen 6v regler und ulo...
es gibt auch spulen mit 2 wicklungen
https://www.ebay.de/itm/394538983312?ha ... R5yEwtzHYg
das dann praktisch licht und bremslichtspule... die bremslichtspule war normal immer an der ulo, reicht aber hinten und vorne nicht wenn man in der stadt blinken will, da die blinker auch noch völlig übertrieben waren , teilweise mit 21w birnen
das so ne standard zündung der besseren art schon mit der 35w spule https://www.motelek.net/bosch/?file=12v35_6v5w_1968.png
....
ja sachs hat dann zusätzlich spulen noch verbaut... zum teil waren dann 3 spulen drin... lichtspule, bremslichtspule und ladespule, gelb lila weiß
die spulen behinderten sich auch dann gegenseit so das die leistung schlecht war..
wenn die blinkanalage beim kauf mitbestellt wurde war dann normal nie die standard 17w zündung drin
es bestand auch die möglichkeit die ulo nur mit lichtspule und halbwelle der zündspule mit ulo dioden gleichrichter zu laden..
dann war licht gleich dunkel wenn die ulo lädt
es gab auch mal eine ladekabel für die ulo..damit man die seperat laden konnte, denn im standverkehr ist die schnell leer mit 42w blinkerrn
zum bleistift einer der spulenstapler war die prima 6
das volle programm mit ulo gleichrichter und ulo box,
da haben die drei spulen + die halbwelle vom abstellkabel zur ladung der ulo genommen ,
über den gleichrichter konnte man 3 spulen an einen ULO anschluss machen...krank
in dem ulo gleichtrichter ist nix anderes drin als 2-3 dioden...
da sind die schon besser https://www.ebay.de/itm/195419435484?ha ... R6Lmo5HIYg,
um den gleichstron gehts dabei gar nicht...sondern um die sperrfunktion der diode, würde man ohne dioden die 3 spulen direkt verbinden wäre es chaos.. überhitzung der spulen etc , außerdem würde in dem fall auch nicht mehr zünden, da das abstellkabel da dann ja über eine andere spule kurzgeschlossen wäre...über masse.
* so nebenbei gibts heuzutage auch besseres ...einen modernen ulo nachbau
Ulo-Box Ersatzmodul
https://www.dierennschnecke.de/online-s ... atzmodule/
https://www.ebay.de/itm/184569715823
wird auch in 12v und auf wunsch auch mit verschiedneen anschlüssen gebaut
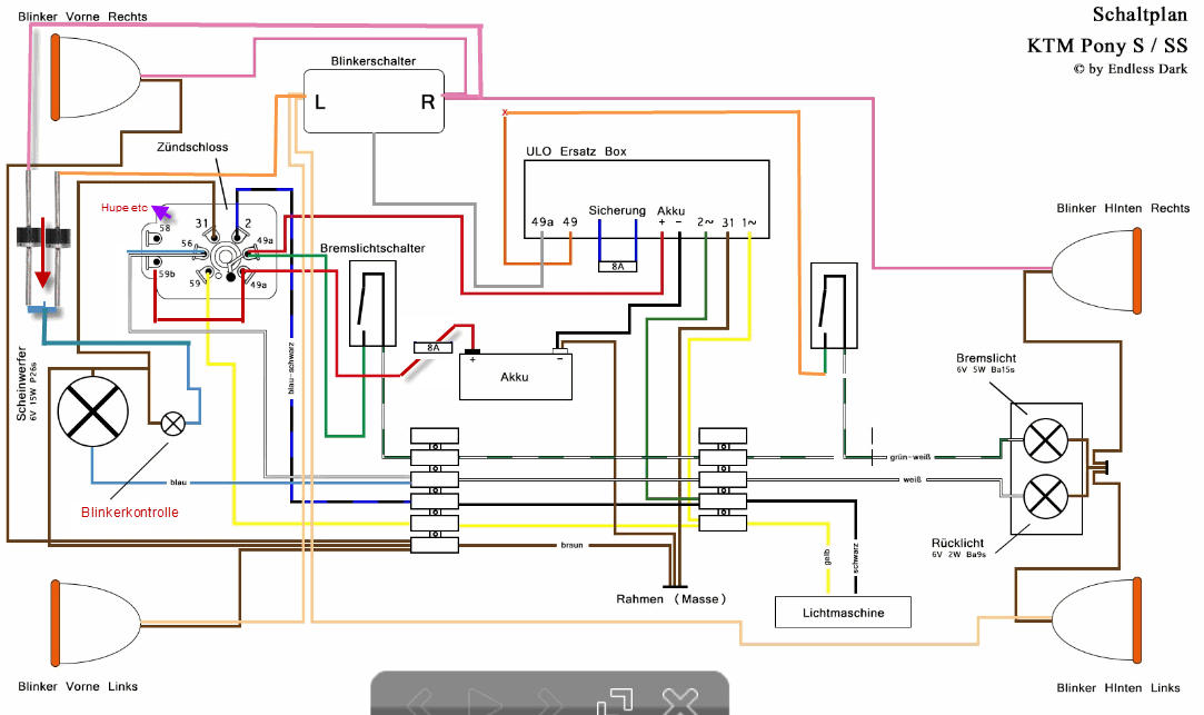
der Fahrer wollte die 17W zündung mit blinkern, also hab ich das mit der ladung über die primärspule und lichtspule erklärt
. dann hat er den plan gemacht, gut gemacht, ich habe nur die Dioden noch reingemalt, aber blinkerkontrolle kann man auch ganz weglassen
man kann nach dem plan natürlich auch die org ulo anschließen
china kabel https://www.ebay.de/itm/353100565603?ha ... R_TU8fzIYg
und auf die schrott ulo box verzichten
wird nur noch eine gebaut https://www.ebay.de/itm/295686846363?ep ... R8qI3-LIYg
ich halt es für rausgeworfenes geld.
35w spule einbauen
https://www.ebay.de/itm/252388529664?ha ... R_yotdvHYg
12v regler
https://www.ebay.de/itm/303123521994?ha ... R7i_7drHYg
AC blinkgeber
https://www.gasolina-moto.de/3-pin-blin ... -cosa.html
und jetzt 4x5w 12v blinkerbirnen bei nicht alternierender schaltung, könnten auch4x10 gehn wenn vorne led drin ist
oder 4x 10w 12v bei alternierender schaltung
wenn dann noch AC LED vorne einbaust, hast du massig strom ..
https://www.ebay.de/itm/155436425944?ha ... SwW6lihLUa , da die LED nur 5W verbraucht aber licht wie ca 30-40w birne macht, hab die bei mir bisher noch nicht in völliger dunkelheit gesehn..kommt wohl bald wieder ..der winter..
es geht nur die 12v version an AC~
es gibt sie auch noch ne idee schwächer mit 4W https://www.ebay.de/itm/285258166731?_t ... %3A2047675
gäbe 12v 10w halogen für die blinker https://www.bosma-shop.com/501257/de
rücklicht bleibt normal dann mit 12v 2-4w
vorteil,, es funtioniert, und ist besser als die schrott 6v ulo funzel wo nie die akkus voll sind und licht schlecht ist.
früher hat man tagsüber das licht ausgemacht und so die akkus geladen...das fällt heute weg
wenn dein herz an der ulo hängt
kannst die 35w spule nehmen 6v regler und ulo...
es gibt auch spulen mit 2 wicklungen
https://www.ebay.de/itm/394538983312?ha ... R5yEwtzHYg
das dann praktisch licht und bremslichtspule... die bremslichtspule war normal immer an der ulo, reicht aber hinten und vorne nicht wenn man in der stadt blinken will, da die blinker auch noch völlig übertrieben waren , teilweise mit 21w birnen
das so ne standard zündung der besseren art schon mit der 35w spule https://www.motelek.net/bosch/?file=12v35_6v5w_1968.png
....
ja sachs hat dann zusätzlich spulen noch verbaut... zum teil waren dann 3 spulen drin... lichtspule, bremslichtspule und ladespule, gelb lila weiß
die spulen behinderten sich auch dann gegenseit so das die leistung schlecht war..
wenn die blinkanalage beim kauf mitbestellt wurde war dann normal nie die standard 17w zündung drin
es bestand auch die möglichkeit die ulo nur mit lichtspule und halbwelle der zündspule mit ulo dioden gleichrichter zu laden..
dann war licht gleich dunkel wenn die ulo lädt
es gab auch mal eine ladekabel für die ulo..damit man die seperat laden konnte, denn im standverkehr ist die schnell leer mit 42w blinkerrn
zum bleistift einer der spulenstapler war die prima 6
das volle programm mit ulo gleichrichter und ulo box,
da haben die drei spulen + die halbwelle vom abstellkabel zur ladung der ulo genommen ,
über den gleichrichter konnte man 3 spulen an einen ULO anschluss machen...krank
in dem ulo gleichtrichter ist nix anderes drin als 2-3 dioden...
da sind die schon besser https://www.ebay.de/itm/195419435484?ha ... R6Lmo5HIYg,
um den gleichstron gehts dabei gar nicht...sondern um die sperrfunktion der diode, würde man ohne dioden die 3 spulen direkt verbinden wäre es chaos.. überhitzung der spulen etc , außerdem würde in dem fall auch nicht mehr zünden, da das abstellkabel da dann ja über eine andere spule kurzgeschlossen wäre...über masse.
* so nebenbei gibts heuzutage auch besseres ...einen modernen ulo nachbau
Ulo-Box Ersatzmodul
https://www.dierennschnecke.de/online-s ... atzmodule/
https://www.ebay.de/itm/184569715823
wird auch in 12v und auf wunsch auch mit verschiedneen anschlüssen gebaut
der Fahrer wollte die 17W zündung mit blinkern, also hab ich das mit der ladung über die primärspule und lichtspule erklärt
. dann hat er den plan gemacht, gut gemacht, ich habe nur die Dioden noch reingemalt, aber blinkerkontrolle kann man auch ganz weglassen
man kann nach dem plan natürlich auch die org ulo anschließen
china kabel https://www.ebay.de/itm/353100565603?ha ... R_TU8fzIYg
- Zahnriemenfahrer
- Beiträge: 858
- Registriert: 03.11.2016 15:14
- Mofa/Moped: Hercules M2 1973
Hercules M4 1975
Hercules P1 1976
DKW RT200H 1952
Suzuki SV 650 '99
Hornet 750 '23 - Wohnort: 52249 Eschweiler
Re: ULO Box an M4
ja
ich würds mir nicht antun
welche es genau ist sieht man an seite mit den anschlüssen an den klemmen
vermutlich 1,2,31,49a oder auch 1,2,49,49A,31 --- kommt auf lichtmaschine an
wenn nur gelb und schwarz aus der zündung kommen. dann waren die blinker wohl nicht ab werk dran, aber wer weis,
ging eh so gut wie nie.. und ohne bremlicht bzw ladespule war noch weniger strom da..
ich kann bei dir aber nur gelb licht als ladespule für die Ulo endecken, wenn du dann paarmal blinkst ist akku leer und licht beim blinkversuch dunkel.
damals konnte man aber noch licht ausschalten zum laden der akkus, heut nicht mehr.
ich vermute aber das die blinker nachgerüstet sind, evtl schon vom händler.
kannst die box mit schwachem 6v netzteil laden, egal ob mit DC oder AC, zb. 6v 100-200ma
da sind SUB D akkus drin. NICD,
wenn die auslaufen zerstören die die platine, muss man erstmal sehn ob die noch gehn
https://www.motelek.net/allgemein/ulo/ulo801.html
es gibt heute LED birnen für die blinker...damit könnt man leben mit der box
das beste und einfachste.. sind zb alternierende blinker mit 5-10w birnen
zb 12v 10W halogen https://www.ebay.de/itm/333858845304?ha ... R9z3odjmYg
und stärkerer spule und ac relais
https://www.powerdynamo.biz/wiredias/acflashwire.gif
https://www.ebay.de/itm/252388529664?ha ... R4yYgMbmYg
https://www.ebay.de/itm/303123521994?ha ... R5CZjcbmYg
https://www.gasolina-moto.de/3-pin-blin ... -cosa.html
ich würds mir nicht antun
welche es genau ist sieht man an seite mit den anschlüssen an den klemmen
vermutlich 1,2,31,49a oder auch 1,2,49,49A,31 --- kommt auf lichtmaschine an
wenn nur gelb und schwarz aus der zündung kommen. dann waren die blinker wohl nicht ab werk dran, aber wer weis,
ging eh so gut wie nie.. und ohne bremlicht bzw ladespule war noch weniger strom da..
ich kann bei dir aber nur gelb licht als ladespule für die Ulo endecken, wenn du dann paarmal blinkst ist akku leer und licht beim blinkversuch dunkel.
damals konnte man aber noch licht ausschalten zum laden der akkus, heut nicht mehr.
ich vermute aber das die blinker nachgerüstet sind, evtl schon vom händler.
kannst die box mit schwachem 6v netzteil laden, egal ob mit DC oder AC, zb. 6v 100-200ma
da sind SUB D akkus drin. NICD,
wenn die auslaufen zerstören die die platine, muss man erstmal sehn ob die noch gehn
https://www.motelek.net/allgemein/ulo/ulo801.html
es gibt heute LED birnen für die blinker...damit könnt man leben mit der box
das beste und einfachste.. sind zb alternierende blinker mit 5-10w birnen
zb 12v 10W halogen https://www.ebay.de/itm/333858845304?ha ... R9z3odjmYg
und stärkerer spule und ac relais
https://www.powerdynamo.biz/wiredias/acflashwire.gif
https://www.ebay.de/itm/252388529664?ha ... R4yYgMbmYg
https://www.ebay.de/itm/303123521994?ha ... R5CZjcbmYg
https://www.gasolina-moto.de/3-pin-blin ... -cosa.html
Zuletzt geändert von carinona am 16.10.2023 14:36, insgesamt 1-mal geändert.
- Zahnriemenfahrer
- Beiträge: 858
- Registriert: 03.11.2016 15:14
- Mofa/Moped: Hercules M2 1973
Hercules M4 1975
Hercules P1 1976
DKW RT200H 1952
Suzuki SV 650 '99
Hornet 750 '23 - Wohnort: 52249 Eschweiler
Re: ULO Box an M4
Danke erstmal für die ganzen Infos. Ich mache erst mal das Mofa fertig. Die Blinker gucke ich dann ob der Aufwand wirklich lohnt.
Gruß Dieter
- Zahnriemenfahrer
- Beiträge: 858
- Registriert: 03.11.2016 15:14
- Mofa/Moped: Hercules M2 1973
Hercules M4 1975
Hercules P1 1976
DKW RT200H 1952
Suzuki SV 650 '99
Hornet 750 '23 - Wohnort: 52249 Eschweiler
Re: ULO Box an M4
Nur der Vollständigkeit halber.
Die ULO ist direkt auf die Lichtspule geklemmt.
Das das irgendwann mal geklappt hat kann ich kaum glauben. Scheinbar aber schon.
Es ist auch keinerlei Schalter dazwischen. Heisst auch zum Blinker nicht, also außer der rechts links Schalter natürlich.
Will sagen. Wenn die Lichtspule es geschafft hat die Akkus zu laden könnte jeder am Mofa die Blinker anmachen und leer Orgeln lassen.
Habe mal die ULO Box "entjungfert" und die Garantie entgültig zunichte gemacht. Dank 3Flügelkreuzschlitz war das öffnen kein Problem.
Kumpel ist Modellbau erfahren. Er hat noch Sub-C Zellen zu Hause. Die Box sieht innen noch Recht gut aus, nix oxidiert. Da lohnt der Versuch. Vor allem weil ich nicht mal Zellen kaufen muss.
Die ULO ist direkt auf die Lichtspule geklemmt.
Das das irgendwann mal geklappt hat kann ich kaum glauben. Scheinbar aber schon.
Es ist auch keinerlei Schalter dazwischen. Heisst auch zum Blinker nicht, also außer der rechts links Schalter natürlich.
Will sagen. Wenn die Lichtspule es geschafft hat die Akkus zu laden könnte jeder am Mofa die Blinker anmachen und leer Orgeln lassen.
Habe mal die ULO Box "entjungfert" und die Garantie entgültig zunichte gemacht. Dank 3Flügelkreuzschlitz war das öffnen kein Problem.
Kumpel ist Modellbau erfahren. Er hat noch Sub-C Zellen zu Hause. Die Box sieht innen noch Recht gut aus, nix oxidiert. Da lohnt der Versuch. Vor allem weil ich nicht mal Zellen kaufen muss.
Gruß Dieter
Re: ULO Box an M4
es gibt ulo boxen die schalten 49a ab wenn kein strom an klemme 1 kommt...also wenn motor aus ist...
dann brauchst keinen extra schalter
,
dann brauchst keinen extra schalter
,
- Zahnriemenfahrer
- Beiträge: 858
- Registriert: 03.11.2016 15:14
- Mofa/Moped: Hercules M2 1973
Hercules M4 1975
Hercules P1 1976
DKW RT200H 1952
Suzuki SV 650 '99
Hornet 750 '23 - Wohnort: 52249 Eschweiler
Re: ULO Box an M4
Hallo.
Die ULO Box hat zwischenzeitlich mal funktioniert, dann habe ich auf Hinweis eines Elektronikers ein paar Kondensatoren und Transistoren getauscht. Auch danach lief sie noch.
Jetzt habe ich gesehen das einer der NiCd Zellen, die mir ein Kumpel gegeben hatte ein bisschen anfängt zu blühen. Also die auch noch neu.
Alles zusammen. Blinker leuchten nur wieder. Mist.
Alles noch mal raus. Zerlegt. Schaltplan gewälzt. Ohne richtige Ahnung davon ist aber klar das das Relais nicht anziehen darf sobald Spannung angelegt (Akku eingesteckt) wird.
Kollege sagte schon das Transistoren löten nicht so einfach ist. Und sie gerne kaputt "gebraten" werden.
Da es die immer nur im 10er Pack gab die nochmal neu gelötet. Siehe da, Freude. Box geht. Mofa abgestellt. Abends vorm Schlafen nochmal gestartet. Blinkt, Freude. Morgens vor der Arbeit. Blinkt Freude.
Nach der Arbeit. Nix
Box leer. Irgendwie muss da was kriechen.
Mist.
Nach mittlerweile bestimmt 30x aus und einbauen habe ich jetzt langsam keine Lust mehr.
Werde die neuen Akkus mit einem neuen Blinkrelais in die ULO Box stecken und fertig. Kann ich mit LED Birnen etwa 2 Stunden Blinken. Es wird noch ein Ladezugang eingebaut. Dann werde ich zu Hause ab und zu die Akkus laden.
Der Hinweis sich nicht auf die Box zu konzentrieren am Anfang war also 100% richtig.
Versuch macht kluch.
Aber den kompletten Umbau mit Spule tauschen etc. möchte ich jetzt nicht auch noch machen.
Die ULO Box hat zwischenzeitlich mal funktioniert, dann habe ich auf Hinweis eines Elektronikers ein paar Kondensatoren und Transistoren getauscht. Auch danach lief sie noch.
Jetzt habe ich gesehen das einer der NiCd Zellen, die mir ein Kumpel gegeben hatte ein bisschen anfängt zu blühen. Also die auch noch neu.
Alles zusammen. Blinker leuchten nur wieder. Mist.
Alles noch mal raus. Zerlegt. Schaltplan gewälzt. Ohne richtige Ahnung davon ist aber klar das das Relais nicht anziehen darf sobald Spannung angelegt (Akku eingesteckt) wird.
Kollege sagte schon das Transistoren löten nicht so einfach ist. Und sie gerne kaputt "gebraten" werden.
Da es die immer nur im 10er Pack gab die nochmal neu gelötet. Siehe da, Freude. Box geht. Mofa abgestellt. Abends vorm Schlafen nochmal gestartet. Blinkt, Freude. Morgens vor der Arbeit. Blinkt Freude.
Nach der Arbeit. Nix
Box leer. Irgendwie muss da was kriechen.
Mist.
Nach mittlerweile bestimmt 30x aus und einbauen habe ich jetzt langsam keine Lust mehr.
Werde die neuen Akkus mit einem neuen Blinkrelais in die ULO Box stecken und fertig. Kann ich mit LED Birnen etwa 2 Stunden Blinken. Es wird noch ein Ladezugang eingebaut. Dann werde ich zu Hause ab und zu die Akkus laden.
Der Hinweis sich nicht auf die Box zu konzentrieren am Anfang war also 100% richtig.
Versuch macht kluch.
Aber den kompletten Umbau mit Spule tauschen etc. möchte ich jetzt nicht auch noch machen.
Gruß Dieter
Re: ULO Box an M4
kannst ja die box mal voll laden
und dann die kabel an der box weg
wenn die dann leer wird muss da innen ja ein problem sein
bleibt sie voll dann leitet sie nach außen ab
,
vorausgesetzt die akku sind ok
wenn er nach außen ableitet sollte zwischen 31 und 1 oder 2 oder 49A strom messbar sein... mit multimeter,
evtl kann man innen auch einfach an + akku noch ne diode machen das kein strom zurück in die box kann
würde keinen pfennig in akkus inverstieren,, sondern auf 12v umstellen oder auch 6v lassen.. und AC blinkregler ohne akkus und ulo
https://www.gasolina-moto.de/3-pin-blin ... -cosa.html
sind allerdings keine led relais, brauchen also 2 birnen mit mehr watt pro seite, normal reichen 10W
die 35w spule rein https://www.ebay.de/itm/252388529664?ha ... R9i8lr-cYw
das ganze kann man als alternieedne reöais verkabeln. dann blinkt es immer abwechseln hinten und vorne auf einer seite
dann ziehn die blinker nur 1x10w anstelle 2x10w
man kann auch gleichzeitg hinten und vorne blinken...dann nimmt man zb eine 10v normal und eine led pro seite
dann hat man das ganze theater mit leeren und defekten akkus und ulo los
und dann die kabel an der box weg
wenn die dann leer wird muss da innen ja ein problem sein
bleibt sie voll dann leitet sie nach außen ab
,
vorausgesetzt die akku sind ok
wenn er nach außen ableitet sollte zwischen 31 und 1 oder 2 oder 49A strom messbar sein... mit multimeter,
evtl kann man innen auch einfach an + akku noch ne diode machen das kein strom zurück in die box kann
würde keinen pfennig in akkus inverstieren,, sondern auf 12v umstellen oder auch 6v lassen.. und AC blinkregler ohne akkus und ulo
https://www.gasolina-moto.de/3-pin-blin ... -cosa.html
sind allerdings keine led relais, brauchen also 2 birnen mit mehr watt pro seite, normal reichen 10W
die 35w spule rein https://www.ebay.de/itm/252388529664?ha ... R9i8lr-cYw
das ganze kann man als alternieedne reöais verkabeln. dann blinkt es immer abwechseln hinten und vorne auf einer seite
dann ziehn die blinker nur 1x10w anstelle 2x10w
man kann auch gleichzeitg hinten und vorne blinken...dann nimmt man zb eine 10v normal und eine led pro seite
dann hat man das ganze theater mit leeren und defekten akkus und ulo los
- Zahnriemenfahrer
- Beiträge: 858
- Registriert: 03.11.2016 15:14
- Mofa/Moped: Hercules M2 1973
Hercules M4 1975
Hercules P1 1976
DKW RT200H 1952
Suzuki SV 650 '99
Hornet 750 '23 - Wohnort: 52249 Eschweiler
Re: ULO Box an M4
Die ganzen Hinweise von Carinona sind richtig und gut. Auch mehrfach wiederholt und mit Links geschmückt.
Ich habe heute das 6VDC Blinkrelais bekommen (5€) und es in die leergeräumte ULO Box mit dem neuen passenden Akku (bereits gekauft gehabt) verbaut. Mit zusätzlichen Ladedraht kann ich ab und zu mal nachladen. Die Box dient jetzt nur noch zur Aufnahme der Komponenten. Schöne wasserfeste Box. Die Befestigungslöcher waren ja bei mir im M4 Rahmen schon drin. Einfachste Lösung so.
Die LED-Lampen ziehen nur 0,3A/Stück. Macht bei 2100mAh Akku und 50% Leuchtdauer (Blinker an/aus) etwa 7 Stunden die ich blinken kann.
Ich habe heute das 6VDC Blinkrelais bekommen (5€) und es in die leergeräumte ULO Box mit dem neuen passenden Akku (bereits gekauft gehabt) verbaut. Mit zusätzlichen Ladedraht kann ich ab und zu mal nachladen. Die Box dient jetzt nur noch zur Aufnahme der Komponenten. Schöne wasserfeste Box. Die Befestigungslöcher waren ja bei mir im M4 Rahmen schon drin. Einfachste Lösung so.
Die LED-Lampen ziehen nur 0,3A/Stück. Macht bei 2100mAh Akku und 50% Leuchtdauer (Blinker an/aus) etwa 7 Stunden die ich blinken kann.
Gruß Dieter
Re: ULO Box an M4
kannst ja zeitschaltuhr dranhängen... jede woche mal ne viertel stunde
- Zahnriemenfahrer
- Beiträge: 858
- Registriert: 03.11.2016 15:14
- Mofa/Moped: Hercules M2 1973
Hercules M4 1975
Hercules P1 1976
DKW RT200H 1952
Suzuki SV 650 '99
Hornet 750 '23 - Wohnort: 52249 Eschweiler
Re: ULO Box an M4
Heute Dauertest. Heute über 6 Stunden geblinkt in der Garage. Nach 6 1/4 fingen die LED Birnen etwas an zu flackern.
Denke das reicht für den Alltagsbetrieb für mindestens ein halbes Jahr ohne laden.
Anders gerechnet. Bei 60 Blinkimpulsen in der Minute sind das 3600/Stunde, heisst der hat heute 22000mal geblinkt
Gruß Dieter
Re: ULO Box an M4
LED ...gute erfindung
meine P26S Test LED lebt vorne jetz schon übern halbes jahr
https://www.ebay.de/itm/155964302832?ha ... R7ahov6dYw
direkt an AC mit 12v spannungsgregler, ohne geichrichter
meine P26S Test LED lebt vorne jetz schon übern halbes jahr
https://www.ebay.de/itm/155964302832?ha ... R7ahov6dYw
direkt an AC mit 12v spannungsgregler, ohne geichrichter
- Zahnriemenfahrer
- Beiträge: 858
- Registriert: 03.11.2016 15:14
- Mofa/Moped: Hercules M2 1973
Hercules M4 1975
Hercules P1 1976
DKW RT200H 1952
Suzuki SV 650 '99
Hornet 750 '23 - Wohnort: 52249 Eschweiler
Re: ULO Box an M4
Hatte mich jetzt noch mal mit den alten "Zusatzspulen" beschäftigt.
Meine Erinnerungen. Sind über 30 Jahre her. Ich hatte früher eine 5S und dann eine Prima Presto.
Meine Erinnerung sagt das die Spulen immer auf die Lichtspule "aufgesattelt" waren.
Im Netz finde ich aber fast nur Spulen die auf die Zündung "aufgesattelt" sind.
Passt das auf meine 90mm Zündung der M4 auch?
Meine Erinnerungen. Sind über 30 Jahre her. Ich hatte früher eine 5S und dann eine Prima Presto.
Meine Erinnerung sagt das die Spulen immer auf die Lichtspule "aufgesattelt" waren.
Im Netz finde ich aber fast nur Spulen die auf die Zündung "aufgesattelt" sind.
Passt das auf meine 90mm Zündung der M4 auch?
Gruß Dieter
Re: ULO Box an M4
die kleine bremslichtspule bzw 3w rücklichtspule war meist auf der zündpule
lade spule dann noch auf der lichtspule
https://www.motelek.net/bosch/?file=12v35_6v5w_1968.png
https://www.motelek.net/bosch/?file=6v17_10w_1982.jpg
https://www.motelek.net/bosch/?file=6v58w_1972.jpg
auch bei der motoplat
https://www.motelek.net/motoplat/?file= ... 19_10w.jpg
auf der zünd.. bzw primärspule
evtl weil das licht noch schlechter würde wenn da noch ne spule drauf wäre und sich die magnetfelder stören
lade spule dann noch auf der lichtspule
https://www.motelek.net/bosch/?file=12v35_6v5w_1968.png
https://www.motelek.net/bosch/?file=6v17_10w_1982.jpg
https://www.motelek.net/bosch/?file=6v58w_1972.jpg
auch bei der motoplat
https://www.motelek.net/motoplat/?file= ... 19_10w.jpg
auf der zünd.. bzw primärspule
evtl weil das licht noch schlechter würde wenn da noch ne spule drauf wäre und sich die magnetfelder stören
- Zahnriemenfahrer
- Beiträge: 858
- Registriert: 03.11.2016 15:14
- Mofa/Moped: Hercules M2 1973
Hercules M4 1975
Hercules P1 1976
DKW RT200H 1952
Suzuki SV 650 '99
Hornet 750 '23 - Wohnort: 52249 Eschweiler
Re: ULO Box an M4
Ich brauche die eigentlich für nix. Den Akku will ich nicht am Fahrzeug laden.
Würde vielleicht noch ein normales 6V Relais dazwischen schalten um zu gewährleisten das die Blinker, wie bei ULO, nur funktionieren wenn das Fahrzeug läuft. Wenn ich die Spannung der Zusatz Spule benutze um das Relais zu schalten wäre ich aus dem kompletten Lichtkreis raus. Deshalb die Frage.
Ich habe gelernt das die 17W Lima auf "Fremdversorgung" noch anderer Verbraucher nicht so gut reagiert.
Wenn das Relais hier ist gucke ich aber erst mal was die Spule des Relais an Strom zieht.
Die kleine Spule hat den Vorteil daß ich diese Spannung sogar gleichrichten kann ohne andere Experimente.
Mal sehen, danke für den Hinweis, bin immer erstaunt das die schlanken Spulen noch hinter das Schwungrad passt.
Würde vielleicht noch ein normales 6V Relais dazwischen schalten um zu gewährleisten das die Blinker, wie bei ULO, nur funktionieren wenn das Fahrzeug läuft. Wenn ich die Spannung der Zusatz Spule benutze um das Relais zu schalten wäre ich aus dem kompletten Lichtkreis raus. Deshalb die Frage.
Ich habe gelernt das die 17W Lima auf "Fremdversorgung" noch anderer Verbraucher nicht so gut reagiert.
Wenn das Relais hier ist gucke ich aber erst mal was die Spule des Relais an Strom zieht.
Die kleine Spule hat den Vorteil daß ich diese Spannung sogar gleichrichten kann ohne andere Experimente.
Mal sehen, danke für den Hinweis, bin immer erstaunt das die schlanken Spulen noch hinter das Schwungrad passt.
Gruß Dieter
Re: ULO Box an M4
einen kleinen vorteil kann die spule haben.. du könntest rücklicht getrennt betreiben und hättest dann mehr strom für vorne, aber die spule macht den zündfunken nicht stärker..aber solange dfie nicht defekt ist stört sie die zündung auch nicht
fün relais brauchts konstante spannung oder ein relais das ein weiten spannungsbereich hat
du brauchst stabilisierten strom sonst flattert das relais
ansonsten brückengleichrichter, Festspannungsgregler , kondensator ...relais
und da ist es egal an welche lichtspule du das dann hängst...der verbrauch ist minimal
die schaltung die du willst ist..
hier ---> https://www.motelek.net/schema/led/?fil ... switch.png
das ist eine schaltung für oldtimer ohne zündschloss zum trennen vom akku
festspannung ganz fachmännisch --> https://www.motelek.net/schema/spannung ... regler.png
oder sollte auch gehn, wenns hält
gleichrichter
https://www.reichelt.de/brueckengleichr ... os_0&nbc=1
Kondensator zur Glättung des Gleichstroms
https://www.reichelt.de/smd-tantal-kond ... os_4&nbc=1
Festspannungsgregler eingang 2,6-29V DC , ausgang 3,3V
https://www.reichelt.de/ldo-spannungsre ... os_0&nbc=1
relais 3v versorgungsspannung (2,25-4,5V)
https://www.reichelt.de/signal-relais-3 ... os_0&nbc=1
und da halt einfach + Akku an einen schließer vom Relais
es sollte gehn, auch wenn die AC spannung im stand ja unter 6v absinkt...wenn man mit 6v 17w birnen fährt...
ohne garantie
sonst mach dir das leben einfach
zb kleinen schalter unter die abdeckung kleben, wo die öffnung für vergaser an der verkleidung ist,
so das mit finger dran kommst
mit nem 4 polschalter kannst unten gleich noch abstellschalter mit machen
https://www.ebay.de/itm/111300437091?ha ... R9Dv-_SkYw
*
fün relais brauchts konstante spannung oder ein relais das ein weiten spannungsbereich hat
du brauchst stabilisierten strom sonst flattert das relais
ansonsten brückengleichrichter, Festspannungsgregler , kondensator ...relais
und da ist es egal an welche lichtspule du das dann hängst...der verbrauch ist minimal
die schaltung die du willst ist..
hier ---> https://www.motelek.net/schema/led/?fil ... switch.png
das ist eine schaltung für oldtimer ohne zündschloss zum trennen vom akku
festspannung ganz fachmännisch --> https://www.motelek.net/schema/spannung ... regler.png
oder sollte auch gehn, wenns hält
gleichrichter
https://www.reichelt.de/brueckengleichr ... os_0&nbc=1
Kondensator zur Glättung des Gleichstroms
https://www.reichelt.de/smd-tantal-kond ... os_4&nbc=1
Festspannungsgregler eingang 2,6-29V DC , ausgang 3,3V
https://www.reichelt.de/ldo-spannungsre ... os_0&nbc=1
relais 3v versorgungsspannung (2,25-4,5V)
https://www.reichelt.de/signal-relais-3 ... os_0&nbc=1
und da halt einfach + Akku an einen schließer vom Relais
es sollte gehn, auch wenn die AC spannung im stand ja unter 6v absinkt...wenn man mit 6v 17w birnen fährt...
ohne garantie
sonst mach dir das leben einfach
zb kleinen schalter unter die abdeckung kleben, wo die öffnung für vergaser an der verkleidung ist,
so das mit finger dran kommst
mit nem 4 polschalter kannst unten gleich noch abstellschalter mit machen
https://www.ebay.de/itm/111300437091?ha ... R9Dv-_SkYw
*
Zuletzt geändert von carinona am 21.01.2024 23:39, insgesamt 31-mal geändert.
Re: ULO Box an M4
doppelt...
gerade neues schild abgeschlossen, ist etwas teurer geworden
im jahr bei mir
37,00 EUR WGV Versicherung
die HUK ist viel teuerer , kost 38€
vermutlich musst man die preise erhöhen weil früher die löcher in den schildern und die farbe auf dem schild aus der ukraine kamen..
zumindest kann man mit paar klicks vertrag verlängern für 2024 , ohne neu eingeben zu müssen,
und dieses jahr muss ich auch kein schild mehr dranschrauben, geht klick klack am halter
die lichtmaschine ist für 6v 17w berechnet, und damit es es noch ganz schlecht wird auch noch ungeregelt.
deshalb ist das so berechnet das die lichtmaschine nur bei ca 25-30kmh die vollen 17w liefert,
Sonst würden die birnen durchbrennen.
Die folge ist das in jeder niedrigeren drehzhl das licht schlechter wird , da die spannung sinkt, und 15W vorne bei vollgas ja schon mies ist.
die 15w 6v halogen bringt da gute besserung, ist aber auch nicht das beste
Die spannung der licht maschine ist drehzahl und last abhängig , also je mehr verbraucher man dranhängt desto niedriger wird die spannung, desto dunkler das licht.
12v birne nhaben ca nur den halben widerstand wie 6v birnen, also ca nur die halbe last
folglich steigt die spannung
und auf einmal leistet dier lichtmaschine ca 27-30w , was mit 12v 20, was mit 12v 20w birne halogen vorne schon zu gutem licht auch in unteren drehzahlen führt. Dann braucht man aber spannunsgebegrenzer, das es nicht über 14V wird und das rücklicht durchbrennt,
oder man müßte mehr watt einbauen ... also zb 25-30 vorne. und hinten 4W..dann wäre es aber auch wieder in unteren drehzahlen dunkler
gerade neues schild abgeschlossen, ist etwas teurer geworden
im jahr bei mir
37,00 EUR WGV Versicherung
die HUK ist viel teuerer , kost 38€
vermutlich musst man die preise erhöhen weil früher die löcher in den schildern und die farbe auf dem schild aus der ukraine kamen..
zumindest kann man mit paar klicks vertrag verlängern für 2024 , ohne neu eingeben zu müssen,
und dieses jahr muss ich auch kein schild mehr dranschrauben, geht klick klack am halter
die sache ist ganz einfachZahnriemenfahrer hat geschrieben: ↑20.01.2024 10:59
Ich habe gelernt das die 17W Lima auf "Fremdversorgung" noch anderer Verbraucher nicht so gut reagiert.
die lichtmaschine ist für 6v 17w berechnet, und damit es es noch ganz schlecht wird auch noch ungeregelt.
deshalb ist das so berechnet das die lichtmaschine nur bei ca 25-30kmh die vollen 17w liefert,
Sonst würden die birnen durchbrennen.
Die folge ist das in jeder niedrigeren drehzhl das licht schlechter wird , da die spannung sinkt, und 15W vorne bei vollgas ja schon mies ist.
die 15w 6v halogen bringt da gute besserung, ist aber auch nicht das beste
Die spannung der licht maschine ist drehzahl und last abhängig , also je mehr verbraucher man dranhängt desto niedriger wird die spannung, desto dunkler das licht.
12v birne nhaben ca nur den halben widerstand wie 6v birnen, also ca nur die halbe last
folglich steigt die spannung
und auf einmal leistet dier lichtmaschine ca 27-30w , was mit 12v 20, was mit 12v 20w birne halogen vorne schon zu gutem licht auch in unteren drehzahlen führt. Dann braucht man aber spannunsgebegrenzer, das es nicht über 14V wird und das rücklicht durchbrennt,
oder man müßte mehr watt einbauen ... also zb 25-30 vorne. und hinten 4W..dann wäre es aber auch wieder in unteren drehzahlen dunkler